
적용기준
1) 건축물의 구조기준 등에 관한 규칙(건설교통부)
2) 건축물의 구조내력에 관한 기준(건설교통부)
3) 강구조설계규준 및 해설(대한건축학회, 1983)
4) 건축구조용 냉간성형강 구조설계 기준(대한건축학회, 1999)
5) 한국산업규격(KSD3506 용융아연도금 강판 및 강대)
6) 건축물 하중기준 및 해설(대한건축학회, 2000)
설계하중
1) 개요
조립식 경량철골 시스템의 구조설계는 허용응력도설계법에 의해 설계되었고 건축학회에서 발간한 「건축구조용 냉간성형강 구조설계지침」을 따르고 있다. 선진 외국의 경우 LRFD설계법도 채용하는데 현재 우리나라의 경우는 LRFD설계법이 아직까지 보편화되지 않아 채용하지 않았으나 곧 이에 대한 기준도 마련될 것이다.
하중전달은 지붕 →서까래 →기둥 →기초 순이다.
2) 고정하중
건축물을 구성하는 골조, 마감재, 창호 등 구조물 자체의 각 부분에 대한 중량을 산정한다.
구 분
고정하중
지 붕
50 kgf/㎡
4) 적설하중
< 지상 적설하중(Sg) >
지 역
서울, 수원, 춘천, 서산, 청주, 대전, 추풍령, 포항, 군산, 대구, 전주, 울산, 광주, 부산, 충무, 목포, 여수, 제주, 서귀포, 진주, 울진, 이천
지상 적설하중(kgf/m2)
50
인 천
80
속 초
200
강 릉
300
울릉도, 대관령
700
지붕의 적설하중( )은 다음 식에 의하여 산정한다.
여기서,
기본 지붕적설하중 계수
노출 계수
온도 계수
중요도
지상 적설하중
-
기본 지붕적설하중 계수( ) : 위 식에서 규정된 기본 지붕적설하중 계수( )는 0.7을 적용한다.
-
노출 계수( ) : 위 식에서 규정된 노출 계수( )는 일반적으로 다음 표에 의한다.
주변 환경
1
지형, 높은 구조물, 나무 등 주변환경에 의해 모든 면이 바람막이가 없이 노출된 지붕이 있는 거센 바람이 부는 지역
노출 계수
0.8
2
약간의 바람막이가 있는 거센 바람이 부는 지역
0.9
바람에 의한 눈의 제거가 지형, 높은 구조물 또는 근처의 몇몇 나무들 때문에 지붕 하중의 감소를 기대할 수 없는 위치
3
1.0
4
바람의 영향이 많지 않은 지역 및 지형과 높은 구조물 또는 몇몇 나무들에 의하여 지붕에 바람막이가 있는 지역
1.1
5
바람의 영향이 거의 없는 조밀한 숲 지역으로서, 촘촘한 침엽수 사이에 위치한 지붕
1.2
(1) 주변환경은 건축물의 수명동안 지속될 수 있는 환경을 말한다.
(2) 10h0(지붕면에서 장애물까지의 높이) 거리 내에 있는 장애물들은 바람막이가 된다.
(3) 겨울에 잎이 떨어지는 낙엽수에 의한 장애물인 경우 는 0.1만큼 저감할 수 있다.
-
온도 계수( ) : 위 식에서 규정된 온도 계수( )는 일반적으로 다음 표에 의한다.
난방상태
난방 구조물(적설하중 제어구조)
온도 계수
1.0
비난방 구조물(적설하중 비제어구조)
1.2
-
중요도 계수( ) : 위 식에서 규정된 중요도 계수( )는 일반적으로 다음 표에 의한다.
주변 환경
노출 계수
특
- 연면적이 1천 제곱미터 이상인 위험물 저장 및 처리시설, 종합병원, 병원 방송국, 전신전화국, 발전소, 소방서, 공공업무시설 및 노약자시설
- 15층 이상 아파트
1.2
1
- 연면적이 5천 제곱미터 이상인 관람집회시설, 운동시설, 운수시설, 전시시설 및 판매시설
- 5층 이상인 숙박시설, 오피스텔, 기숙사 및 아파트
1.1
2
- 중도도 (특), (1) 및 (3)에 해당하지 않는 건축물
1.0
3
- 가설 건축물, 농가 건축물 및 소규모 창고
0.8
-
경사가 낮은 지붕에 대한 적설하중의 최소 허용값
- 창고, 추녀마루, 15도 보다 낮은 경사도를 가진 박공지붕과 처마에서부터 꼭대기까지의 각 접선각도가 수평면으로부터 10도 보다 낮은 곡면지붕에는 평지붕 적설하중의 최소 허용값을 적용한다
- 지상 적설하중이 100kgf/m2 이하인 곳에서의 평지붕 적설하중은 지상적설하중에 중요도 계수를 곱한 값 이상으로 한다.
- 지상 적설하중이 100kgf/m2를 초과하는 곳에서의 평지붕 적설하중은 100kgf/m2에 중요도 계수를 곱한 값 이상으로 한다.
-
경사지붕에 작용하는 전체 적설하중은 위에서 구한 적설하중()에 지붕의 면적을 곱하여 구한다.
4) 풍하중
풍하중은 구조물의 설계에 가장 지배적인 하중으로써, 아래와 같이 지붕골조용 풍하중과 구조골조용 풍하중으로 나누어 계산한다.
-
구조골조용 풍하중 : 구조골조용 풍하중( )은 다음 식에 따라 산정한다.
여기서,
구조골조용 설계풍력(kgf/m2)
유효 수압면적(m2)
- 밀폐형 건축물의 구조골조용 설계풍력( )은 다음 식에 따라 산정한다.
여기서,
지붕면의 평균높이 h에 대한 설계속도압(kgf/m2)
지표면에서 임의높이 Z에 대한 설계속도압(kgf/m2)
구조골조용 가스트 영향계수
풍상벽의 외압계수
풍하벽의 외압계수
-
지붕골조용 풍하중 : 지붕골조용 풍하중( )은 다음 식에 따라 산정한다.
여기서,
지붕골조용 설계풍력(kgf/m2)
유효 수압면적(m2)
- 밀폐형 건축물 및 일부 개방형 건축물의 지붕골조용 설계풍력( )은 다음 식에 따라 정한다.
여기서,
지붕면의 평균높이 h에 대한 설계속도압(kgf/m2)
구조 골조용 가스트 영향계수
내압 가스트 영향계수
외압계수
내압계수
-
설계속도압 : 설계높이에 대한 설계속도압( ) 및 지붕면 평균높이에 대한 설계속도압( )은 다음 식에 따라 산정한다
여기서,
공기밀도로써 균일하게 0.125(kgf·s2/m4) 적용
설계지역의 지표면으로부터 지붕면 평균높이 h에 대한 f6f8e5(m/s)
설계지역의 지표면으로부터 임의높이 Z에 대한 f6f8e5(m/s)
( )은 기본풍속, 풍속의 고도분포계수, 지형에의한 풍속할증계수, 중요도계수를 고려하여 다음 식으로 산정한다.
지형에 의한 풍속할증계수
건축물의 중요도계수
- 기본풍속 : 기본풍속( )은 건설지점의 지역별로 2.1절의 표 및 그림에 따라 정한다.
다만, 건설지점 부근의 유효한 관측자료가 있는 경우 이에 따라 설정할 수 있다.
-
풍속의 고도분포계수
-풍속의 고도분포계수( )는 건설지점의 노풍도 구분과 그에 따른 대기경계층 시작높이 및 기준경도풍높이에 따라 다음 표와 같이 산정한다.
구분
A
B
C
D
0.58
0.81
1.0
1.13
0.22
0.45
0.71
0.97
주)
: 대기경계층의 시작높이(m)
: 기준경도풍 높이(m}
: 풍속이 고도분포지수
-대기경계층의 시작높이( ), 기준경도풍높이( ) 및 풍속의 고도분포지수( )는 노풍도 구분별로 다음 표에 따른다.
구분
A
B
C
D
20
15
10
5
500
400
300
250
0.33
0.22
0.15
0.10
주)
: 대기경계층의 시작높이(m)
: 기준경도풍 높이(m}
: 풍속이 고도분포지수
-노풍도 구분은 건설지점 주변지역의 지표면 상태에 따라 다음 표를 이용하여 정한다.
노풍도 구분
주변지역의 지표면 상태
A
대도시 중심부에 서 10층 이상의 대규모 고층건축물이 밀집해 있는 지역
B
높이 3.5m 정도의 주택과 같은 건축물이 밀집해 있는 지역
중층 건물이 산재해 있는 지역
C
높이 1.5~10m 정도의 장애물이 산재해 있는 지역
저층건축물이 산재해 있는 지역
D
장애물이 거의 없고, 주변 장애물의 평균높이가 1.5m 이 하인 지역 해안, 초원, 비행장
주)
: 지표면에서 높이 Z에 대한 설계속도압(kgf/m2)
: 지붕면 평균높이 h에 대한 설계속도압(kgf/m2)
-
지형에 의한 풍속할증계수
-지형에 의한 풍속할증계수( )는 경사, 산 및 언덕의 영향이 없는 지역에서는 기본적으로 1.0이다. ? 중요도계수 중요도계수( )는 건축물의 용도, 사회성, 경제성 및 중요도를 고려한 설계용 재현 기간에 따라 다음 표에 따른다.
건축물의 용도 및 규모
노출 계수
특
- 연면적이 1천 제곱미터 이상인 위험물 저장 및 처리시설, 종합병원, 병원, 방송국, 전신전화국, 발전소, 소방서, 공공업무시설 및 노약자시설
- 15층 이상 아파트
1.10
1
- 연면적이 5천 제곱미터 이상인 관람집회시설, 운동시설, 운수시설, 전시시설 및 판매시설
- 5층 이상인 숙박시설, 오피스텔, 기숙사 및 아파트
1.00
2
- 중도도 (특), (1) 및 (3)에 해당하지 않는 건축물
0.95
3
- 가설 건축물, 농가 건축물 및 소규모 창고
0.81
-
구조골조용 가스트 영향계수
-구조골조용 가스트 영향계수( )의 산정 시 강체 구조물 및 바람에 의한 공진 효과를 무시할 수 있는 구조인 경우, 가스트 영향계수는 다음 표에 따른다.
가스트 영향계수
노풍도 구분
A
2.5
B
2.2
C
1.9
D
1.8
-
구조골조용과 지붕골조용 풍압계수와 풍력계수
-밀폐형 및 일부개방형 건축물의 구조골조용 외압계수( )
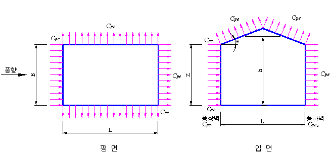
밀폐형 건축구조물에 작용하는 외압계수( )는 다음 표와 같으며, 외벽면의 외압계수는 (a)에 따른다. 외벽면 풍상벽에 대한 적용속도압은 지표면에서 설계높이에 대한 설계속도압( )으로 하고, 풍하측 및 측벽에 대한 적용속도압은 지붕면 평균높이에 대한 설계속도압( )으로 한다. 지붕면 외압계수는 다음 표의 (b)와 같이 지붕의 경사에 따라 풍상면, 풍하면에 대해 적용한다.
밀폐형 및 일부개방형 건축물의 외압계수( )

(a) 벽면의 외압계수( )
L/B
Cpe
적용속도압
풍상벽
모든 값
0.8
풍하벽
0~1
-0.5
2
-0.3
측벽
≥4
-0.2
모든 값
-0.7
(b) 지붕면 외압계수( )

주)
1): 정압 및 부압에 대하여 고려해야 한다.
B: 건물의 풍직각방향 길이(m)
L: 건물의 풍방향 길이(m)
Z: 지표면으로부터의 임의높이(m)
h: 지붕면 평균높이(m)
: 지표면에서 높이 Z에 대한 설계속도압(kgf/m2)
: 지붕면 평균높이 h에 대한 설계속도압(kgf/m2)
θ: 지붕경사각( °) ? 밀폐형 건축물의 지붕골조용 내압계수 및 내압 가스트 영향계수( ) 밀폐형 건축물의 지붕골조용 내압계수( ) 및 내압 가스트 영향계수( )는 아래 표에 따른다.
< 밀폐형 건축물의 지붕골조용 내압계수( ) 및 내압 가스트 영향계수( ) >
내압계수
0 또는 0.4
내압 가스트 영향계수
1.3
5) 하중조합
하중조합
고정하중
적재하중
설하중
풍하중
비 고
sLCB1
1.0
1.0
-
장기하중
1.0
sLCB2
1.0
1.0
-
단기하중
sLCB3
1.0
1.0
-
1.0
단기하중
sLCB4
1.0
-
-
1.0
단기하중
-
하중조합 적용근거(건축물의 구조기준 등에 관한 규칙, 1996. 2. 13 건설교통부령 제53호)

풍하중 또는 지진하중과의 조합이 고려될 경우에는 적설기간에 따라 다음 표의 계수를 곱하여 적설하중을 산정한다. 다만, 중간기간일 때의 적설하중은 직선보간의 방법으로 구한다.
적 설 기 간
계 수
1개월 미만
0
3개월 이상
0.5
설계하중
1) 판폭두께비의 제한
일반적으로 강재의 판폭두께비의 제한은 단면의 국부좌굴이 전체좌굴보다 먼저 일어나는 것을방지하기 위해 플랜지와 웨브 판요소의 좌굴응력도가 부재의 설계하중 이상이 되도록 폭두께비를 제한한다.
부재요소
w/t
압축응력을 받는 웨브
500이하
300이하
등변응력을 받는 휨재
그 외 압축응력을 받는 플랜지
그 외 압축응력을 받는 리브
60이하
60이하
2) 유효폭의 계산
단면의 요소에 대한 유효폭의 계산은 요소가 받는 응력의 상태를 확인하고, 단면요소가 양단이 구속되어 있는지를 확인한다. 즉, 웨브와 립이 있는 플랜지등은 양단이 구속된 요소이고, 립이 없는 플랜지와 립 부분은 구속이 없는 부재이다.
위의 조건에 의해 계산된 세장비( )를 임계세장비 0.673과 비교하여 단면요소의 유효폭를 결정하게 된다.
K : 판좌굴계수 : 세장비

3) 허용 휨 모멘트
압축응력과 웨브에 대한 가정하에 압축측 플랜지의 국부좌굴에 대한 유효폭을 계산하여 값을 구한다. 압축응력과 의 가정을 확인하고, 단면계수 값을 구해서 공칭모멘트 을 구하고, 안전율 를 적용하여 허용 휨모멘트 를 결정한다.
K : 판좌굴계수 : 탄성단면계수 : 공칭 휨 모멘트
: 허용 휨 모멘트 : 휨재의 안전율

4) 허용 압축력의 계산
단면의 대칭성과 비틀림에 의한 휨 좌굴을 계산하여, 가장 작은 값을 으로 하고, 유효단면적 를 앞의 유효폭 계산식에 의해 구하며 공칭 압축력( )를 계산한다. 안전율( )를 적용하여 허용압축력( )를 계산한다.
: 탄성좌굴응력 E : 영계수 K : 좌굴길이계수
L : 보강되지 않은 부재의 길이 r : 단면계수 : x방향 탄성좌굴응력
: 비틀림 좌굴 응력 : 유효 단면적 : 공칭 압축 응력
: 공칭 압축력 : 안전율 : 허용 압축력

5) 응력비 검토
축하중과 휨모멘트를 받는 부재로 두가지 하중조합을 고려한다. 단기하중에 대해서는 아래의 하중에 강도를 33% 증가시킨 값으로 고려한다
: 축하중
: 유효단면의 도심축에 대한 작용 모멘트
: 허용 압축력
: 허용 휨 모멘트
6) 처짐 검토
① 수직 허용 처짐량 을 적용하여, 양단고정보로 설계한다.

② 수평 허용 처짐량 을 적용하여 설계한다.

